全國統一客服熱線

0335-5998197

資訊中心

News

地址:

河北省秦皇島市經濟技術開發區渤海西道4號

電話:

0335-5998197
資訊中心

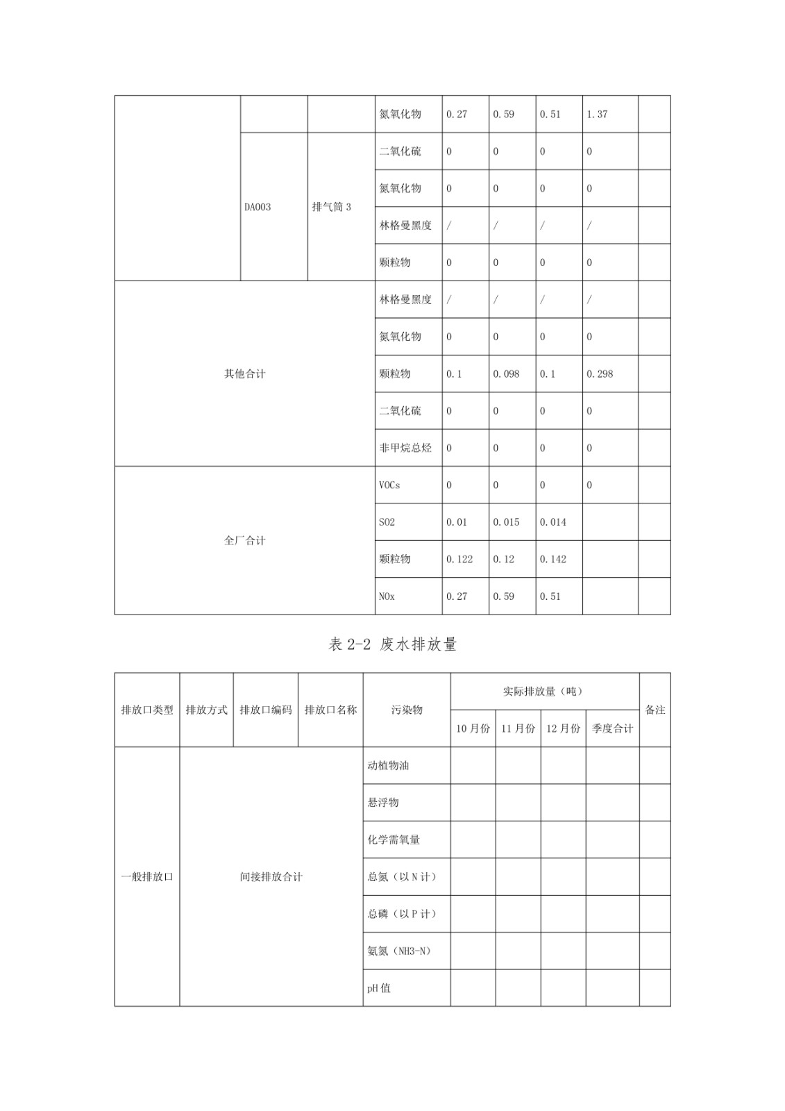
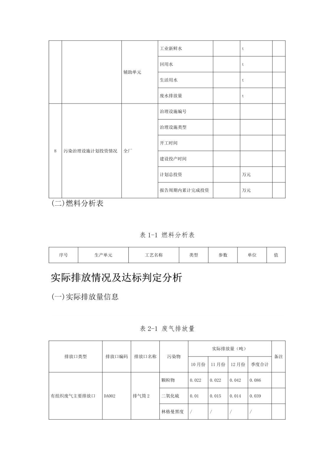
當前位置:首頁-資訊中心-2023年第四季度排污許可證

網站首頁 關于我們 產品展示 案例展示 資訊中心 工廠設備 人才招聘 聯系我們

版權所有:秦皇島安冶金屬工業有限公司 電話:0335-5998197

地址:河北省秦皇島市經濟技術開發區渤海西道4號 ICP備案編號:冀ICP備15018432號-1